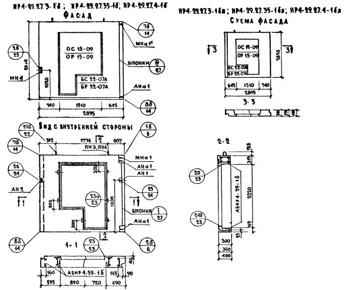
НР4-29.27.35-1б

Чертеж изделия:
Чертеж НР4-29.27.35-1б
Характеристики изделия:
ПараметрЗначение
Длина2895 мм
Ширина350 мм
Высота2650 мм
Масса2430 кг
Нормативный документСерия 1.132-1

НР4-29.27.35-1б   Наружная стеновая панель рядовая по Серии 1.132-1.